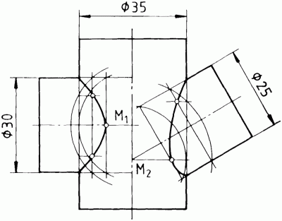
Zylinderdurchdringung - Hilfskugelverfahren