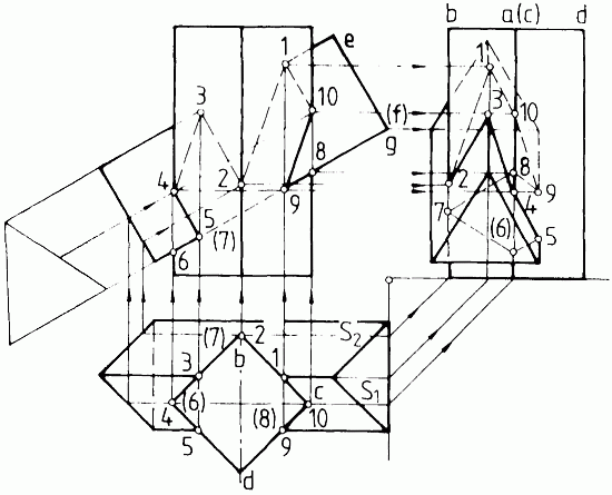
Schiefwinklige Durchdringung eines Vierkant- mit einem Dreikantprisma